Lohnt sich ein Blockheizkraftwerk? BHKW-Amortisationsrechnung einfach gemacht
Oft folgte auf diese Frage als nächstes: „Gibt es Förderungen für die Erstinvestition in ein neoTower Blockheizkraftwerk – ähnlich wie bei anderen regenerativen Wärmeerzeugern?“ Dabei bleibt häufig außer Acht, dass sich ein Blockheizkraftwerk vor allem durch andere Faktoren wirtschaftlich rechnet: Durch die effiziente Wärme- und Stromerzeugung, die garantierte KWK-Vergütung für den Eigenverbrauch und die Stromeinspeisung ins Netz. Die hocheffiziente Technik der Kraft-Wärme-Kopplung (KWK) ist nach wie vor die einzige Form der Wärmeerzeugung, mit der sich die Investitionskosten über die Jahre vollständig refinanzieren lassen – und oft noch deutlich mehr.
Und so sah Jan Pilles „Bierdeckel-Rechnung“ am Beispiel eines neoTower 21.0 aus:
Bei 30.000 Vollbenutzungsstunden über zehn Jahre ergibt sich ein durchschnittlicher Ertrag zwischen:
- Minimal: KWK-Förderzuschlag von 16,0 Cent/kWh plus EEX-Spotmarktpreis von derzeit ca. 8,0 Cent/kWh.
- Maximal: KWK-Förderzuschlag von 8,0 Cent/kWh für selbst verbrauchten Strom plus eingesparte Stromkosten von derzeit ca. 34,0 Cent/kWh.
Das ergibt einen durchschnittlichen Ertrag von 207.900 Euro. Zieht man davon die Investitions- und Installationskosten in Höhe von 85.000 Euro sowie die Vollwartungskosten von 20.400 Euro ab, bleibt nach zehn Jahren ein Überschuss von rund 102.500 Euro – das entspricht etwa 1.000 Euro im Monat.
Natürlich berücksichtigt die „Bierdeckel-Amortisationsrechnung“ nicht alle möglichen Kostenfaktoren, noch trifft sie Aussagen zur idealen Anlagendimensionierung. Immerhin stehen 18 Leistungsvarianten des neoTower BHKW zur Auswahl. Für eine wirtschaftlich und technisch optimale Lösung bleibt deshalb eine individuelle Wärme- und Auslegungsplanung unverzichtbar. Hier kommt der umfassende Werks-Service von RMB/ENERGIE ins Spiel – Haustechnikplaner und Interessierte können sich schon im Vorfeld bei Fragen an die Experten wenden.
Weitere Infos zu den neoTower Blockheizkraftwerken und der KWK-Technik allgemein sind auf der Webseite www.rmbenergie.com verfügbar.
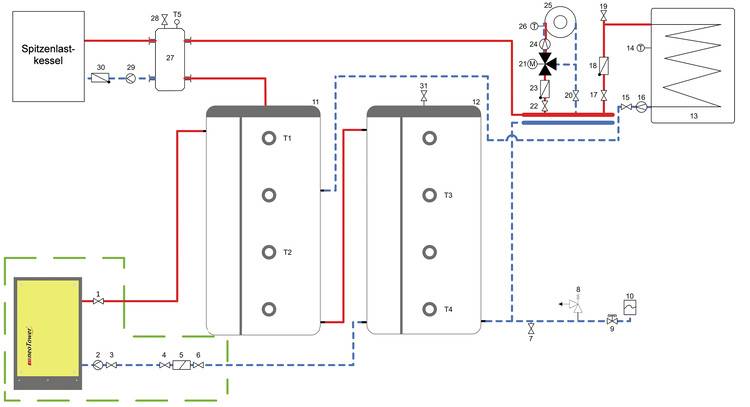
So funktioniert es hydraulisch:
1. Absperrung, 2. Umwälzpumpe, 3. Absperrung, 4. Absperrung, 5, Kombinationsfilter, 6. Absperrung, 7. Entleerung, 8. Sicherheitsventil, 9. Kappenventil, 10. MAG, 11. Pufferspeicher, 12. Pufferspeicher, 13. Trinkwasserspeicher, 14. Temperaturfühler, 15. Absperrung, 16. Umwälzpumpe, 17. Absperrung, 18. Rückschlagklappe, 19. Entlüftung, 20. Absperrung, 21. Drei-Wegemischer, 22. Absperrung, 23. Rückschlagklappe, 24. Umwälzpumpe, 25. Heizkreisverbraucher, 26. Temperaturfühler, 27. Hydraulische Weiche, 28. Entlüftung, 29. Umwälzpumpe, 30. Rückschlagklappe, 31. Entlüftung
Und so kann es im Aufstellraum aussehen:
B Aufnahme Temperaturfühler
C Puffer-Vorlauf Wasser
D Puffer-Rücklauf Wasser, E Blindstromkompensation
F Modem
G Zuluftöffnung
H Spannungsversorgung
I Abluftleitung
J Abgasführung
K Abgasschalldämpfer
L Kondensatablauf
M Gasanschluss
N Gaszähler
O Gasströmungswächter
P Gasfilter


