Wärmepumpen-Praxistest: Die Effizienz ist niedriger als erwartet

Das Programm „Modellprojekte im Effizienzhaus Plus-Standard“ des Bundesbauministeriums (BMUB) förderte u. a. Wohnneubauten, die übers Jahr saldiert mehr Energie aus erneuerbaren Quellen auf dem Grundstück generieren, als sie für ihren Betrieb benötigen. Konkret müssen sowohl ein negativer Jahres-Endenergie- als auch ein negativer Jahres-Primärenergiebedarf bilanziell erreicht werden.
Die 37 über ganz Deutschland verteilten Modellprojekte werden einzeln messtechnisch evaluiert und im Rahmen eines wissenschaftlichen Begleitprogramms durch das Fraunhofer-Institut für Bauphysik IBP ausgewertet. haustec.de stellt nachfolgend die Ergebnisse des IBP-Kurzberichts „Energieeffizienz elektrisch angetriebener Wärmepumpen - Praxisergebnisse aus dem Monitoring“ vor
Wärmeversorgung vorzugsweise mit Elektro-Wärmepumpen
Zur Deckung des Nutzwärmebedarfs der Demonstrationsvorhaben werden vorzugsweise elektrisch angetriebene Wärmepumpen (32) mit den Wärmequellen Erdreich (13), Luft (12) und Wasser (7) als Wärmeerzeuger eingesetzt. Die Heizleistung der installierten Anlagen bewegt sich zwischen 1,5 kW und 20 kW im Einfamilienhaus und von 7 kW bis 120 kW im Mehrfamilienhaus.
16 Modellvorhaben mit einer abgeschlossenen zweijährigen Messperiode verfügen über eine ausreichende Datenmenge, um die mittlere Jahresarbeitszahl (JAZ) der eingesetzten Wärmepumpen zu bestimmen. Die JAZ gibt das Verhältnis der abgegebenen Wärmemenge zur aufgenommenen elektrischen Energie wieder. Die im praktischen Betrieb ermittelte Arbeitszahl kann dabei nicht unmittelbar mit der Planungsgröße COP verglichen werden, da diese im Labor ausschließlich für das Wärmepumpenaggregat bestimmt wird, aktuelles Nutzerverhalten und Klimabedingungen werden dabei nicht berücksichtigt.
Mittlere JAZ nur bei 2,6 (Luft-WP) und 3,2 (Erd-WP)
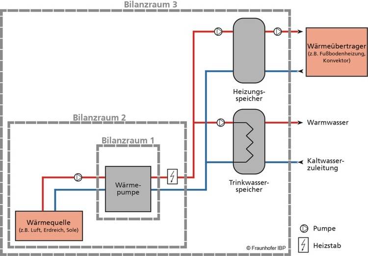
Ausgewertet wurden vom IBP die über das reine Wärmepumpenaggregat hinausgehenden Bilanzräume 2 und 3 (siehe Bild 1).
Für 15 Anlagen konnte nach der zweijährigen Monitoringphase die mittlere praktische JAZ für den Bilanzraum 2 bestimmt werden, welcher die abgegebene Wärmemenge der Wärmepumpe (inkl. optionalem Heizstab) berücksichtigt. Dabei wurde für sieben Anlagen die JAZ für ein Jahr bestimmt und für acht Anlagen für zwei Messjahre. Hier die Resultate (siehe auch Bild 2):
- Die Luft-Wärmepumpen zeigen eine relativ gleichmäßige Verteilung der JAZ im Bereich zwischen 1,9 und 3,3. Im Mittel liegt die JAZ bei 2,6.
- Bei den Erdreich-Wärmepumpen fiel die JAZ mit 3,2 im Mittel erwartungsgemäß größer aus. Die mittleren praktischen JAZ schwanken zwischen 2,0 und 4,6.
- Für die beiden Wasser-Wärmepumpen schwankt die JAZ zwischen 2,7 und 4,4; im Mittel beträgt sie 3,2.
Die praktische JAZ für den Bilanzraum 3, der den gesamten Wärmepumpenkreislauf umfasst, fällt noch einmal geringer aus: die mittleren Werte liegen zwischen 1,5 für Wasser-, 2,2 für Luft- und 2,5 für Erdreich-Wärmepumpen. Berücksichtigt wurden hierbei die gesamte. Heizungs- und Trinkwarmwasserverteilung (mit allen Pumpen) sowie die Speicherverluste.
Zwischen-Fazit des IBP
Zur Einordnung der Ergebnisse wurde das Erneuerbare-Energien-Wärmegesetz (EEWärmeG) herangezogen. Zur Förderung von Wärmepumpen verlangt es einen Zielwert der JAZ von 3,3 für Luft-Wärmepumpen (inkl. Warmwasserbereitung) und für alle anderen Wärmepumpenarten eine JAZ von 3,8. Nur wenige Anlagen erreichen in der Monitoringphase die Zielwerte des EEWärmeG.
Wichtigste Ursachen für niedrige Wärmepumpen-Effizienz
Die Forscher des IBP stellten im Rahmen ihrer Ergebnisanalyse fest, dass sich während und nach dem Monitoring für fast alle Anlagen Verbesserungspotenziale zeigten. Demnach wurden einige Systeme bereits im ersten Messjahr komplett ersetzt. Zudem erfolgten Nachjustierungen bei den Betriebsparametern (z. B. Einstellung der Vorlauftemperaturen).
Laut IPB waren aufgrund begrenzter Messdaten nicht bei allen Anlagen die Gründe der Ineffizienzen im Detail analysierbar. Herausgearbeitet wurden jedoch folgende, symptomatische Ursachen für eine niedrigere Effizienz in der Praxis:
- Heizungsrelevante Anlagenteile waren oft ganzjährig in Betrieb und verursachten dadurch erhöhte Stand-by-Verluste.
- Gegenüber der normgerechten Auslegung waren um bis zu 3 K höhere Innenraumtemperaturen und ein erhöhter Trinkwarmwasserverbrauch festzustellen. Daraus resultierten höhere Systemtemperaturen.
- Fehlende Optimierung in den Regelstrategien beeinflussten die JAZ.
- Geforderte erhöhte Systemtemperaturen im Mehrfamilienhausbereich zur Vermeidung von Legionellenbildung in der Trinkwarmwasserbereitung führten zu einer geringen JAZ.
- Überdimensionierung und unzureichend einregulierte Netzhydraulik können das energetische Verhalten der Wärmepumpenanlage negativ beeinflussen.
- Der Anteil des Energieaufwands für die Bereitstellung der Wärme zur Trinkwarmwassererzeugung erhöht sich mit besser werdendem Wärmeschutz der Gebäude. Dies wirkt sich negativ auf die Jahresarbeitszahl aus. In Gebäuden mit KfW40-Standard sind daher tendenziell schlechtere JAZ vorzufinden als in KfW55-Gebäuden.
Empfehlungen für Planer, Handwerker, Hersteller, Verbände
Für die Branchenpraxis formulierten die Autoren der IBP-Forschungsergebnisse folgende Empfehlungen:
- Künftig noch mehr Wert auf die umfassende und kontinuierliche Schulung von Planern und Handwerkern legen. Kernziel soll sein, eine fundierte Planung und Ausführung der Anlagen sicherzustellen, welche die Abhängigkeit zwischen den Komponenten des hydraulischen Gesamtsystems, dem Nutzereinfluss und dem energetischen Niveau des Gebäudes berücksichtigt und optimiert.
- Zur Überprüfung der Systeme im eingebauten Zustand sowie zur Effizienzsteigerung im Betrieb hat sich Monitoring als sinnvolles und notwendiges Instrument erwiesen. Dabei sollte das Monitoringkonzept frühzeitig in den Planungsprozess eingebunden werden; Messdaten sollten in den ersten Betriebsjahren kontinuierlich zur Optimierung ausgewertet werden.
- Die Abgabe einer Performancegarantie für das Gesamtsystem wurde seitens der Hersteller bisher abgelehnt, ist jedoch aus Verbraucherschutzüberlegungen anzustreben.
- Zu einer nachhaltigen Effizienzsteigerung der Wärmepumpenanlagen in der Praxis können zudem beitragen: die Planung einfacher, robuster Systeme und verständliche Nutzer-Informationen.
- Die in Kürze erscheinende VDI 4645 („Planung und Dimensionierung von Heizungsanlagen mit Wärmepumpen in Ein- und Mehrfamilienhäusern“) könnte helfen, als Qualitätsbaustein die Planung und Ausführung von Wärmepumpen zu verbessern.
