Warum sich das Repowering alter Wechselrichter lohnt
Der Tausch von Wechselrichtern lohnt sich nicht unbedingt nur bei Defekten. Er kann den Ertrag der Anlage signifikant steigern und sie darüber hinaus fit für den Betrieb nach der EEG-Förderung machen. Damit Repowering gelingt, sollte das Projekt gut geplant und eng begleitet werden.
Wechselrichter sind das Herzstück der Photovoltaikanlage. Sie verfügen über Schnittstellen zu allen relevanten Bereichen des elektrischen Systems und machen den produzierten Strom der Solarmodule für das Netz in vorgegebener Qualität nutzbar. Darüber hinaus geben sie Auskunft über Ertragsdaten oder mögliche Störungen.
Drei bis fünf Prozent Mehrertrag
Mit der Zeit können jedoch technische Schwächen auftreten, die zur Minderleistung der Anlage und entsprechenden Reparaturkosten oder häufigeren Wartungsintervallen führen. Auch sind mit der Zeit viele Komponenten von Photovoltaikanlagen nicht nur günstiger, sondern auch effizienter geworden. Sie sind in der Lage, bei gleicher Leistung einen Ertragszuwachs zwischen drei und fünf Prozent zu erwirtschaften. Diese Entwicklungen können ein Investment in neue Wechselrichtermodelle selbst dann sinnvoll machen, wenn die alten noch störungsfrei laufen.
Jeder Wechselrichtertausch bedarf der engen Abstimmung mit dem zuständigen Netzbetreiber. Gegebenenfalls müssen Anlagenzertifikate oder eine entsprechende Schutz- und Regeltechnik nachgerüstet werden.
Refinanzierung durch das EEG
In jedem Fall bietet das Repowering der Wechselrichter noch während der EEG-Vergütungszeit eine gute Möglichkeit, die Anlage für den Weiterbetrieb nach 20 Jahren vorzubereiten. Denn die Einspeisevergütung fängt die entstehenden Kosten in vielen Fällen auf – das gilt insbesondere für ältere Anlagen, die zwar nur noch eine kurze Restlaufzeit unter dem EEG haben, allerdings hohe Vergütungen erhalten. Projekte können sich bereits nach etwa zwei bis drei Jahren amortisieren. Zusätzlich erneuern sich Herstellergarantien und Gewährleistungen für die neuen Komponenten.
Neue Wechselrichter sollten mit der vorhandenen Infrastruktur möglichst kompatibel sein – ansonsten steigen die Kosten schnell ins Unwirtschaftliche. Häufig bietet es sich an, Zentralwechselrichter durch große Strangwechselrichter zu tauschen oder viele alte, kleine Strangwechselrichter durch wenige neue und große Geräte zu ersetzen. Das bedeutet aber auch, dass sämtliche Schnittstellen zu anderen Anlagenbestandteilen, wie etwa Leitungen oder Sicherungen, überprüft und wenn nötig angepasst werden müssen.
Bei älteren Anlagen herrscht im Generator häufig eine geringere Systemspannung als bei neuen Anlagen. Neue Wechselrichter müssen daher je nach Alter der Anlage auch mit einer deutlich niedrigeren Spannung arbeiten können. Das allein kann die Auswahl infrage kommender Produkte deutlich einschränken. Oft sind in älteren Anlagen Zentralwechselrichter mit einer aufwendigen Verschaltung und Verkabelung der Modulstränge bis zum Generatoranschluss verbaut, die nur schwer mit neueren Modellen kompatibel sind.
Integration der DC-Seite
Der Aufbau und die Verkabelung des Solargenerators werden beim Wechselrichtertausch schon aus Kostengründen und aufgrund der starken Reglementierung der Module unter dem EEG in der Regel nicht verändert. Dennoch lässt sich das System optimieren, wenn beispielsweise Modulstränge direkt auf die neuen Wechselrichter aufgelegt werden und zuvor verwendete Generatoranschlusskästen wegfallen. Das reduziert mögliche Fehlerquellen und den zukünftigen Wartungsaufwand.
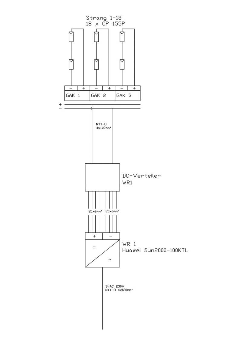
Schwieriger kann es bei der Umstellung von Zentralwechselrichtern auf Strangwechselrichter werden. Die DC-Hauptkabel können nicht immer direkt auf spannungskompatible Geräte aufgelegt werden. Hier muss eine individuelle Lösung gefunden werden. Ein Beispiel ist die umgekehrte Nutzung eines DC-Verteilers.
Die DC-Hauptkabel des Modulgenerators führen zentral zur Wechselrichterstation. Der einzig verfügbare Wechselrichtertyp, der mit der ursprünglichen Leistung und der Spannungsebene der Module kompatibel war, verfügte allerdings nicht über einen zentralen DC-Eingang, sondern nur über mehrere Strangeingänge.
In Rücksprache mit dem Hersteller der Wechselrichter wurde ein DC-Verteiler entworfen, der das DC-Hauptkabel in mehrere Einzelstränge entsprechend den Vorgaben des Wechselrichters aufteilt. Dies bedeutet zusätzlichen Aufwand an Komponenten und Installation, verhindert aber die deutlich aufwendigere Neuverkabelung der gesamten Anlage.
Integration der Netzseite
Auch auf der AC-Seite ist es sinnvoll, auf bereits bestehende Infrastruktur aufzubauen und die Wechselrichter an die bestehende Niederspannungshauptverteilung (NSHV) und das bestehende AC-Kabelsystem anzuschließen. Da die Leistung der neuen Wechselrichter die der alten meist nicht übersteigt, sind Kabelquerschnitte und Absicherungen in der Regel kompatibel.
Der Neuaufbau der NSHV ist nicht nur aufwendig und teuer, sondern würde durch die Eröffnung neuer Baufelder an der Anlage zusätzliche Risiken ergeben. Auch AC-seitig sind gegebenenfalls verschiedene Spannungsebenen der Wechselrichter zu berücksichtigen. Die Nennspannung beträgt heute überwiegend 400 Volt.
Beim Wechselrichtertausch ist die anliegende AC-Spannung zu prüfen und über einen Stufenschalter am Transformator einzustellen. Um die Performance der Anlage sicherzustellen, ist eine funktionierende Anlagenüberwachung unabdingbar. An die Erzeugungseinheiten und Anlagensensorik angeschlossene Datenlogger sammeln die Betriebsdaten ein und leiten sie an ein Monitoringportal weiter.
Moderne Betriebsüberwachung
Verschiedene Modelle von Wechselrichtern verfügen jedoch über verschiedene Datenprotokolle. Wird nur teilweise repowert, muss der Datenlogger sowohl die Protokolle der alten als auch der neuen Wechselrichter verarbeiten und versenden können. Zudem gilt es, die neuen Komponenten in der Überwachungssoftware zu hinterlegen und gegebenenfalls Alarme neu zu konfigurieren.
Doch nicht nur Daten der Komponenten selbst müssen erhoben, gespeichert und weitergeleitet werden. So ist es beispielsweise entscheidend, dass die Wechselrichter auf die Wirkleistungsvorgabe des Netzbetreibers reagieren und Vorgaben in Bezug auf Blindleistung umsetzen können. Bei einem Tausch muss diese Regelstrecke neu aufgebaut, eingerichtet und getestet werden. Hier gilt es, sich besonders eng mit dem zuständigen Netzbetreiber abzustimmen.
Oft sind Zentralwechselrichter und weitere Technikbestandteile in festen Stationen auf dem Anlagengelände verbaut und vor äußeren Einflüssen geschützt. Ausgebaute Wechselrichter sind fachgerecht zu entsorgen – hier sind durchaus Verwertungserlöse zu erzielen.
Beim Einbau der neuen Modelle ist das vorhandene Platzangebot zu prüfen: Hersteller stellen unterschiedliche Anforderungen, etwa bezüglich des Abstands der Geräte zueinander und zu den Wänden der Station. Je nach Situation müssen gegebenenfalls zusätzlich DC- oder AC-Verteilerkästen untergebracht und die Kabel so geführt werden, dass sie die vorgegebenen Biegeradien einhalten.
Mechanische Installation
Ein Beispiel: Beim Austausch alter Wechselrichter gegen neue Strangwechselrichter war der neue Platzbedarf größer als in der Station verfügbar. Als Lösung wurde die Außenseite der Station mitgenutzt.
Kabel wurden durch die Wand in den Kabelkeller der Station geführt. Da das Areal nicht extra eingezäunt war, erforderte die Außennutzung nicht nur einen Wetter- sondern auch einen zusätzlichen Zugangsschutz. Da sich dadurch das äußere Erscheinungsbild der Anlage änderte, wurde diese Lösung zuvor mit den örtlichen Behörden abgestimmt.
Zu einer soliden Planung gehört für den Investor eine transparente Übersicht über die wirtschaftlichen Potenziale des Repowerings der Wechselrichter. Hier helfen belastbare Kennzahlen für die Wirtschaftlichkeit. Diese Übersicht zeigt nicht nur auf, wie viel das Repowering kostet und am Ende hoffentlich einbringt. Sie bezieht auch mögliche Abweichungen ein. Lohnt sich ein Investment noch, wenn statt des angenommenen Ertragszuwachses von drei Prozent lediglich 2,5 Prozent erzielt werden? Oder wenn die Kosten des Projektes zehn Prozent höher ausfallen als kalkuliert?
Drei Termine insgesamt
Die Umsetzung jedes Bauvorhabens muss eng begleitet werden. Beim Repowering der Wechselrichter beginnt der Bau mit der Überprüfung der Planungsunterlagen auf Vollständigkeit und Plausibilität. Vor Ort erfolgen mindestens drei Termine zur Qualitätskontrolle. Zum Baustart sollten die technische Planung, der Aufbauplan und spezielle Punkte besprochen werden. Die zu erstellende Gefährdungsbeurteilung ist zu verifizieren und von allen Beteiligten zu unterschreiben.
In einem zweiten Termin während der Bauphase liegt der Fokus auf der Umsetzungsqualität. Es erfolgt ein Abgleich mit den Planungsunterlagen: Sollten Gegebenheiten abweichen, müssen Punkte eventuell spontan vor Ort entschieden werden.
Zuletzt wird das Gewerk abgenommen: Dazu zählen neben der Überprüfung der Bauausführung und Einhaltung der Herstellervorgaben auch der funktionale Test von Erzeugung und Kommunikation sowie die Kontrolle der technischen Dokumentation und Messprotokolle.
Nachbereitung des Repowerings
Um zu verifizieren, dass der geplante Mehrwert tatsächlich eintritt, erfolgt nach etwa einem Betriebsjahr eine umfangreiche Auswertung. Wenn alle Wechselrichter getauscht werden, ist dies nicht ganz einfach, da eine passende Referenz fehlt und schwankende Einstrahlungs- und Temperaturbedingungen die Auswertung erschweren.
Für diesen Fall bieten sich Methoden wie die Power-Curve-Analyse an: Sie bereiten die Ertragsdaten detailliert und bereinigt auf und liefern somit eine objektive Grundlage zur Bewertung.
Nach Abschluss des Repowerings kommt auch der Zeitpunkt, mit dem Betriebsführer den Wartungsumfang der neuen Wechselrichter zu besprechen und eine angemessene Reduktion der Vergütung zu diskutieren.
Dieser Beitrag von Jörn Carstensen isz zuerst erschienen in photovoltaik 02/2021. Jörn Carstensen ist Diplom-Wirtschaftsingenieur mit Spezialisierung auf Energie- und Umweltmanagement. Er stieg 2014 als Vertriebsleiter bei Greentech ein und hat das Wachstum des Unternehmens mitgestaltet.
Mehr über Greentech
Greentech ist ein Dienstleistungsunternehmen mit Standorten in Hamburg und Leipzig sowie in Milton Keynes in Großbritannien, das sich auf die technische und kaufmännische Betriebsführung sowie das Engineering von Photovoltaikanlagen spezialisiert hat.
Das Unternehmen bietet erfahrene Experten für die Betriebsführung von Photovoltaikanlagen aller Größen sowie Qualitätssicherung und Ertragsmaximierung. Mit einem aktuellen Portfolio von mehr als 600 Megawatt zählt Greentech zu den großen unabhängigen Betriebsführern weltweit. Zum Kundenstamm gehören private Anlagenbesitzer, Stadtwerke, regionale und internationale Energieversorger, Versicherungen und Investmentfonds.
