Inliner-Zirkulationssysteme: Hygienisch warmes Wasser an jeder Armatur
Warmes Wasser, das zeitnah nach Öffnen der Armaturen – für Dusche, am Waschtisch, an der Badewanne oder an der Küchenspüle – bereitgestellt wird, ist ein wichtiges Komfortmerkmal. Bei einem herkömmlichen Zirkulationssystem wird parallel zur warmgehenden Trinkwasserleitung im Schacht eine Zirkulationsleitung verlegt, die zusammen mit einer Zirkulationspumpe dafür sorgt, dass kontinuierlich warmes Wasser zur Verfügung steht.
Anschließend wird vom entferntesten Punkt des Hauptstranges das sich abkühlende Wasser wieder in den Speicher zurückgeführt. Danach strömt erwärmtes Wasser aus dem Speicher und wird wieder über die Pumpe zu den Verbrauchern transportiert. Der Kreislauf ist geschlossen, das warme Trinkwasser zirkuliert ununterbrochen. Dimensioniert und ausgelegt wird nach DIN 1988, Teil 300 oder Arbeitsblatt W 553 des DVGW.
Eventuellen Wärmeübergang im Auge behalten
Bei einer zeitgemäßen Trinkwasserinstallation müssen der TGA-Fachplaner und der SHK-Handwerker den drohenden Wärmeübergang ins Kaltwassersystem sowie eine drohende Stagnation berücksichtigen. Zu beachten ist insbesondere, dass für Trinkwasserleitungen mindestens 60°C (Warmwasser-Bevorratungstemperatur) am Wasseraustritt des Trinkwassererwärmers gefordert werden. In der Warmwasserzirkulation darf jedoch ein Temperaturabfall von 5 K nicht unterschritten werden. Das heißt: Die betriebsgemäße Wassertemperatur im Kreislauf muss mindestens 55°C betragen. Deshalb ist die Zirkulationsleitung aufwendig zu dämmen, was einen höheren Platzbedarf und zusätzliche Kosten zur Folge hat.
Gleichzeitig entstehen Kosten für die zusätzliche Leitung, auch der Schacht muss größer ausgelegt werden. Zudem besteht die Gefahr, dass sich das Wasser in der Trinkwasserleitung kalt über den zulässigen Wert von 25°C erwärmt. Zur Erklärung: Durch die zusätzliche Zirkulationsleitung zur Warmwasserleitung im Schacht vergrößert sich die wärmeabgebende Oberfläche. Das führt zu einer Erhöhung der Temperatur im Schacht.
Die Technischen Regeln zur Trinkwasserinstallation (TRWI) fordern die Begrenzung der Kaltwassertemperatur auf 25°C. In Installationsschächten ist es schwierig, diese Anforderung zu erfüllen. Denn neben der Kaltwasserleitung verlaufen häufig warmgehende Leitungen, die trotz ordnungsgemäßer Dämmung eine hohe Wärmelast auf die Kaltwasserleitung übertragen.
Eine andere technische Möglichkeit, um warmgehende Leitungen im Hauptschacht zu reduzieren, ist eine Zirkulationsleitung, die über einen separaten Schacht, beispielsweise parallel zu den Lüftungsleitungen, in die Zentrale führt. Dies verringert die Wärmeabgabe im Hauptschacht deutlich.
Damit kann die Kaltwassertemperatur auch in entnahmeschwachen Zeiten deutlich länger auf Temperaturen < 25 °C gehalten werden. In den meisten Gebäuden lässt sich diese Art Installation jedoch nicht realisieren, weil im Dach- oder im letzten Obergeschoss kein Leitungsweg für den Zirkulationssammler vorhanden ist. Zudem verursacht der zusätzliche Schacht Mehrkosten.
Innen liegende Zirkulationsleitung
Eine wirtschaftlich wie hygienisch sinnvolle Alternative zur herkömmlichen Zirkulationsleitung im Versorgungsschacht oder im separaten Schacht stellt die Inlinerzirkulation dar, auch als innen liegende Zirkulation bekannt (Bild 1). Sie hat besondere Eigenschaften mit vielen Vorzügen, selbst bei den Kosten.
Technik der Inlinerzirkulation
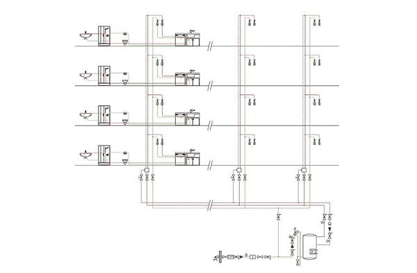
Vereinfacht dargestellt wird in die warmgehende Trinkwasserleitung im Steigstrang eine Zirkulationsleitung integriert (Bild 2).
Vom Trinkwassererwärmer oder vom Speicher aus wird mit dieser Rohr-in-Rohr-Lösung warmes Wasser zu den Verbrauchern transportiert und fließt über eine Umlenkung wieder zurück. Damit ist der Kreislauf geschlossen. Ein zweiter Steigstrang ist mit dieser Technik nicht mehr notwendig. Bis zu zehn Etagen können per Inlinertechnik versorgt werden (Bild 3).
In welcher Dimension das Versorgungssystem auszulegen ist, hängt vom Spitzenvolumenstrom des warmen Trinkwassers ab. Die Montage des Inliners ist entweder von der obersten Etage oder vom Keller aus möglich. Darüber hinaus lässt sich die Leitung nach der Druckprobe vollständig entleeren. Bei einer späteren Aufstockung oder Sanierung ließe sich der Inliner ersetzen.
Trinkwasser warm (PWH) muss nach den allgemein anerkannten Regeln der Technik oberhalb von 55°C bereitstehen, sonst droht Legionellengefahr. Das sorgt im Schacht und in Deckenbereichen zusammen mit Heizungsrohren für einen hohen Wärmeeintrag. Dies wiederum erwärmt die dort verlaufende Trinkwasserleitung kalt (PWC) und beeinträchtigt die Qualität des Trinkwassers, wenn die Temperatur auf über 25 °C ansteigt.
Auswirkungen auf die Trinkwasserhygiene
Durch die innen liegende Zirkulationsleitung ergibt sich keine zusätzliche wärmeabgebende Oberfläche, die im Versorgungsschacht einen unerwünschten Wärmeübergang auf den kaltgehenden Steigstrang erzeugen kann. So lässt sich der in den Regelwerken geforderte, ideale Temperaturbereich von < 25 °C für Trinkwasserleitungen kalt und > 55 °C für Trinkwasserleitungen warm leichter erreichen.
Der Temperaturbereich dazwischen ist ein idealer Nährboden für die Vermehrung von Legionellen, gleichzeitig steigt die Gefahr der Keimbildung. Auch die 5 K Differenz, die an keiner Stelle im Trinkwassersystem zur Wasseraustrittstemperaur von 60°C auftreten dürfen, werden bei einer fachgerecht ausgeführten Inlinerzirkulation eingehalten.
Nicht alle Hersteller von Trinkwassersystemen haben eine Inlinerzirkulation im Programm. Wir stellen nachfolgend eine Auswahl von Lösungen vor, die keinen Anspruch auf Vollständigkeit erhebt.
Die Vorzüge der Inlinerzirkulation stellen sich in ausgeführten Anlagen noch besser ein, wenn ein modifiziertes Berechnungsverfahren für die Bemessung der Steigleitungen für Trinkwasser warm und des Zirkulationssystems verwendet wird. Geberit und Viega stellen eine solche Software zur Verfügung.
Zirkulationslanze von IVT
Zirkulationslanze von IVT
Mit der Rückführung des Zirkulationswassers in den Warmwasseraustritt des Speichers kann eine unerwünschte Durchmischung der Schichtung im Speicher vermieden werden. Neben dem Erhalt der Temperaturschichtung spart diese – zudem stagnationsfreie – Zirkulationseinbindung auch Energie, weil die Zirkulationsverluste mit geringem Aufwand ausgeglichen werden, sagt der Anbieter.
Gegen die Durchmischung im Schichtspeicher durch die Warmwasserzirkulation und für eine einfache Einbindung führt IVT eine Zirkulationslanze im Sortiment, die aus einem Armaturenkörper und einem PE-X-Innenrohr besteht (Bild 4).
Innen liegende Zirkulation von Geberit
Sie ist für gerade Steigleitungen mit einem Versprung unter maximal 45° geeignet und kann mit Geberit Mapress Edelstahl (d 28 und d 35 mm) und Geberit Mepla (d 40 mm mittels Übergangsadapter Mapress-Mepla) ausgeführt werden. Das System lässt sich ohne Sonderwerkzeug mit mehreren Komponenten installieren.
Dazu gehört ein PE-Xc-Rohr (d 14 x 1,5 mm) für den Inliner, ein Anschlussset (vollständig durchspült) mit Warmwasser- und Zirkulationsanschluss auf gleicher Höhe und Kopfumlenkung. Für das Verbinden von kürzeren PE-Xc-Rohrstücken gibt es ein Kupplungsstück, eine Dämmschale für das Anschlussset ist ebenfalls erhältlich.
Zu beachten ist: Die Abgangsdimension des T-Stücks auf der Etage beträgt bei Mapress mindestens d 22 mm, bei Mepla mindestens d 32 mm. Das Geberit-Inlinersystem basiert auf definierten Rohrquerschnitten im Bereich des äußeren Rohres als auch des innen geführten Rohres. Eine Übertragung der hydraulischen Dimensionierungsergebnisse auf andere Rohrsysteme ist daher nicht zu empfehlen (Bild 5).
Inliner-Strömungsteiler von Kemper
Er gewährleistet für das Inlinersystem von Geberit die Temperaturpräsenz in der Stockwerkszirkulation bis an die Entnahmestelle. Der vertikal oder horizontal installierte Strang mit Inliner wird durch den Einsatz des Strömungsteilers im Bereich der Einzelanbindung mit der Ringleitung in der Nasszelle installiert.
Die Inlinerzirkulation ist somit nicht nur im Steigstrang effektiv, sondern bis an die Entnahmestelle in den jeweiligen Nasszellen. Der Inliner-Strömungsteiler mit den dazugehörigen VAV-Absperreinrichtungen sowie der Dämmschale ist eine Liefereinheit, die als Unterputz- oder Aufputzlösung erhältlich ist (Bild 6).
Smartloop-System von Viega
Je nach örtlicher Wasserbeschaffenheit und Anspruch des Bauherrn stehen für die Inlinerinstallation mit dem Smartloop-System von Viega sowohl das Kupferrohrleitungssystem Profipress als auch das Edelstahlrohrleitungssystem Sanpress zur Verfügung.
Es können also für den Aufbau der Steigestränge dieselben Rohrleitungen und Pressverbinder wie bei konventionellen Trinkwarmwasserinstallationen eingesetzt werden. Ergänzend werden lediglich ein Anschlussset zur Anbindung an die Kellerverteilung in 28 oder 35 mm, das Endverschlussstück sowie das flexible Polybuten-Rohr in 12 x 1 mm als innen liegende Zirkulationsleitung benötigt (Bild 7).
Fazit
Neben den hygienischen Vorzügen bietet die Inlinertechnik auch bei der Installation und im Betrieb Vorteile, wie geringeren Platzbedarf im Schacht, was kleinere Schachtabmessungen ermöglicht. Die Erstellungskosten sind geringer, da Dämmung, Befestigung und Brandschutzmaßnahmen für die Zirkulationsleitung entfallen.
Durch die Senkung der Wärmeverluste, Reduzierung der Volumenströme und den damit verbundenen geringeren Energiebedarf der Pumpe wird der Energiebedarf der Zirkulation insgesamt reduziert. Zusätzlich kühlt der Trinkwassererwärmer weniger aus.
Dieser Artikel von Dietmar Stump ist zuerst erschienen in SBZ 05/2018. Dietmar Stump ist Fachjournalist und Inhaber des Pressebüros DTS.
Lesen Sie mehr zu Thema: 6 Fehler bei der Warmwasser Zirkulationsleitung

Dieser Artikel ist zuerst in SBZ erschienen. Mehr Informationen erhalten Sie im kostenlosen SBZ Newsletter.
Zur Anmeldung geht es hier.
Das Fachportal für die Gebäudetechnik

