Grundlagen und Regeln: Fragen und Antworten zur Trinkwasserinstallation
Laut der Trinkwasserverordnung (TrinkwV) muss das an die Verbrauchsstellen zu transportierende Trinkwasser so beschaffen sein, dass durch seinen Genuss oder Gebrauch eine Schädigung der menschlichen Gesundheit, insbesondere durch Krankheitserreger, nicht zu besorgen ist. Das wichtigste Lebensmittel muss hygienisch rein und genusstauglich sein.
Diese Anforderungen gelten als erfüllt, wenn bei der Wassergewinnung, der Wasseraufbereitung und der Wasserverteilung mindestens die allgemein anerkannten Regeln der Technik (a. a. R. d. T.) eingehalten werden und das Trinkwasser den in den nachfolgenden Paragrafen der TrinkwV genannten Anforderungen entspricht. Die a. a. R. d. T. umfassen das Gesamtwerk nationaler und internationaler Regelsetzer zur fachgerechten Gewinnung, Aufbereitung und Verteilung von Trinkwasser.
Wir beantworten Ihnen in diesem Artikel die wichtigsten Fragen und geben eine Übersicht über relevante Informationen rund um die Trinkwasserinstallation.
Welche Normen sind wichtig für Trinkwasser-Installationen?
Die europäische Normenreihe DIN EN 806 und die DIN EN 1717 formulieren einen Mindeststandard an die Trinkwasserinstallation und stellen den größten gemeinsamen europäischen Nenner dar. Zusätzliche Festlegungen zur Berücksichtigung nationaler Gesetze, Verordnungen und des deutschen technischen Regelwerks sind in den Ergänzungsnormen zu finden, die aus Gründen der Kontinuität unter der Nummer DIN 1988 laufen.
DIN EN 806-2
Grundsätzliche Festlegungen für die Planung von Trinkwasser-Installationen sind in der DIN EN 806‑2 „Technische Regeln für Trinkwasser-Installationen – Teil 2: Planung“ geregelt. Diese europäische Norm gilt in Verbindung mit der DIN EN 806‑1 (Allgemeines) und der DIN EN 806‑3 (Berechnung der Rohrinnendurchmesser).
DIN EN 806‑2 beschreibt die Anforderungen an die Planung von Trinkwasser-Installationen innerhalb von Gebäuden und für Leitungsteile außerhalb von Gebäuden, aber innerhalb von Grundstücken (siehe DIN EN 806‑1) und ist anwendbar für Neuinstallationen, Umbau und Reparaturen.
DIN 1988-200
Die nationale Ergänzungsnorm zur DIN EN 806‑2 ist die DIN 1988‑200. Sie gilt in Ergänzung für die Planung von Trinkwasser-Installationen, Installation Typ A (geschlossenes System) in Gebäuden und auf Grundstücken. Die Norm benennt die Planungsgrundsätze und die für die Errichtung der Anlagen geeigneten Bauteile, Apparate und Werkstoffe.
DIN EN 1717 und DIN 1988‑100
Eine wesentliche Voraussetzung für den dauerhaft hygienisch einwandfreien Betrieb von Trinkwasser-Installationen ist die Planung und Umsetzung einer ausreichenden Absicherung gegen Rücksaugen oder Rückdrücken von „Nicht-Trinkwasser“ zurück in die Trinkwasser-Installation – z. B. bei der Nachfüllung von Heizungsanlagen.
DIN EN 1717 und die nationale Ergänzungsnorm DIN 1988‑100 legen die Anforderungen an den Schutz des Trinkwassers vor Verunreinigungen in Trinkwasser-Installationen sowie an Sicherungseinrichtungen zur Verhütung von Trinkwasserverunreinigungen durch rückfließendes Wasser fest.
DIN 1988‑300
Da die DIN EN 806‑3 nicht die für die deutschen Anwenderkreise erforderliche Normungstiefe und Akzeptanz erreicht, stellt die DIN 1988‑300 „Technische Regeln für Trinkwasser-Installationen – Teil 300: Ermittlung der Rohrdurchmesser“ die nationale Ergänzungsregelung zur DIN EN 806‑3 dar.
Über mehr als zwei Jahrzehnte haben Planer und Ausführende in der Praxis gute Erfahrungen mit den Berechnungsgängen der inzwischen zurückgezogenen DIN 1988‑3 gemacht. Deshalb wurde dieser etablierte Kern des differenzierten Berechnungsganges für die Ermittlung der Rohrdurchmesser für Trinkwasserleitungen in die aktuelle DIN 1988‑300 übernommen.
Lesen Sie dazu: Wie funktioniert eine Trinkwasserrohrnetzberechnung?
DIN 806‑4
In der DIN 806‑4 (Installation) ist die Ausführung von Trinkwasser-Installationen geregelt. Folgende Grundsätze werden u. a. behandelt: Kombination verschiedener Werkstoffe, Inbetriebnahme, Desinfektion, Werkstoffspezifikationen für Rohrsysteme, Verbindungsverfahren und Installation von Rohrleitungen aus unterschiedlichen Werkstoffen.
Leider wurde im Gegensatz zur Planung und Dimensionierung bei dieser Norm keine nationale Ergänzungsregel DIN 1988‑400 erstellt. Eine der daraus resultierenden Konsequenzen ist beispielsweise, dass die Druckprüfung in Merkblättern des ZVSHK und des BTGA steht, diese jedoch von Dritten, wie z. B. dem TÜV Süd, nicht als Regelwerk anerkannt werden.
DIN EN 806‑5
Neben der Planung, Dimensionierung und Ausführung von Trinkwasser-Installationen ist der Betrieb in der europäischen DIN EN 806‑5 (Betrieb und Wartung) geregelt. Für diese Norm ist ebenfalls keine nationale Ergänzung notwendig.
Was sind die wichtigsten Kriterien für die Dimensionierung nach DIN 1988‑300?
Die Norm DIN 1988‑300 beschreibt die anzuwendenden Berechnungsgänge zur Dimensionierung von Trinkwasser-Installationen. Sie dient zur Ermittlung der Rohrdurchmesser für Kalt- und Warmwasserleitungen sowie zur Bestimmung der Bauteilgrößen (Zirkulationsleitungen, Pumpe, Drosselventile) für Zirkulationssysteme.
Das Regelwerk zielt darauf ab, bei Spitzenbelastung des Systems die kleinstmöglichen Innendurchmesser zu ermöglichen und dabei die Mindestdurchflüsse des Trinkwassers an allen Entnahmestellen sicherzustellen.
Analog zur Vorgängerversion DIN 1988‑3 ist das ermittelte Rohrreibungsdruckgefälle der Maßstab für alle Teilstrecken. Wesentliche Parameter zur Dimensionierung sind u. a. die Rohrdurchmesser aller Teilstrecken einer Trinkwasser-Installation.
Der Berechnungsdurchfluss ist dabei der Entnahmearmaturendurchfluss. Aus der Summe der Berechnungsdurchflüsse wird der Summendurchfluss gebildet. Beim Spitzendurchfluss handelt es sich um den maßgebenden Durchfluss, für den die Rohrleitungen dimensioniert werden. Der Spitzendurchfluss reduziert unter Berücksichtigung der nutzungsabhängigen Gleichzeitigkeit der Wasserentnahme den Summendurchfluss.
Mit welchen Wassertemperaturen muss eine Trinkwasseranlage betrieben werden?
Der Betreiber steht in der Pflicht, dass die Warmwasserbevorratungstemperatur von 60 °C am Austritt des Trinkwassererwärmers eingehalten wird. Grundsätzlich gilt: Am Trinkwasseraustritt PWH eines Trinkwassererwärmers mit Zirkulation darf die Temperatur von 60 °C nicht unterschritten werden. Ausnahmen gelten für Anlagen mit hohem Wasseraustausch in Ein- und Zweifamilienhäusern.
Die Warmwassertemperaturen PWH und PWH‑C in der Warmwasserzirkulation sollten in der Bandbreite zwischen 60 und 55 °C liegen, da die Warmwasserzirkulation in erster Linie der Temperaturhaltung dient, um das Legionellenwachstum zu vermindern.
Lesen Sie dazu auch: 5 Fehler beim Legionellenschutz
Untergeordnet sind die Erfüllung von Komfortansprüchen. Deshalb sollten Zirkulationssysteme nicht im Hinblick auf eine mögliche Warmwasserentnahme im Tagesgang geregelt (z. B. Hauptnutzungszeiten im Badezimmer), sondern im Dauerbetrieb betrieben werden. Der Zirkulationsbetrieb darf aus Energiespargründen für höchstens acht Stunden pro Tag unterbrochen werden, wenn es dadurch nicht zu hygienischen Beeinträchtigungen kommt.
Die Begrenzung der Kaltwassertemperatur auf 25 °C zählt ebenfalls zu den Betreiberpflichten. Bei bestimmungsgemäßem Betrieb darf maximal 30 Sekunden nach dem vollen Öffnen einer Entnahmearmatur die Kaltwassertemperatur PWC 25 °C nicht überschreiten.
Wenn äußere Wärmelasten z. B. in warmen Technikzentralen oder Versorgungsschächten auf die Kaltwasserleitungen einwirken und damit längere Ausstoßzeiten bewirken, kann die geforderte Temperaturgrenze durch automatisierte Spüleinrichtungen sichergestellt werden.
Welche Möglichkeiten gibt es, die Kaltwassertemperatur zu begrenzen?
Gerade in Installationsschächten besteht die Gefahr eines Wärmeübergangs auf das Kaltwassersystem. Denn neben der Kaltwasserleitung verlaufen dort häufig warmgehende Leitungen, die trotz ordnungsgemäßer Dämmung die Wärme auf die Kaltwasserleitung übertragen können. Zu den wirksamsten Maßnahmen, um dies zu verhindern, gehören getrennte Schächte für Warm- und Kaltwasser.
Ein oben liegender Zirkulationssammler mit separat geführtem Strang ist eine alternative technische Möglichkeit, um die Wärmeübergabe im Hauptschacht deutlich zu verringern. Damit kann die Kaltwassertemperatur auch in entnahmeschwachen Zeiten deutlich länger auf Temperaturen < 25 °C gehalten werden. In den meisten Gebäuden lässt sich diese Art Installation jedoch nicht realisieren, weil im Dach- oder im letzten Obergeschoss kein Leitungsweg für den Zirkulationssammler vorhanden ist. Zudem ist ein zusätzlicher Schacht mit Mehrkosten verbunden.
Lesen Sie dazu auch: 6 Fehler bei der Warmwasser Zirkulationsleitung
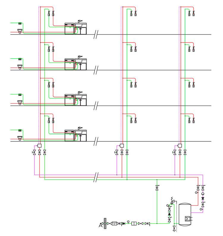
Eine wirtschaftlich wie hygienisch sinnvolle Alternative zur herkömmlichen Zirkulationsleitung im Versorgungsschacht oder im separaten Schacht stellt die innen liegende Zirkulation – auch Inliner-Zirkulation genannt – dar.
Vereinfacht dargestellt wird hier in die warmgehende Trinkwasserleitung im Steigstrang eine Zirkulationsleitung integriert. Damit ist ein zweiter Steigstrang nicht mehr notwendig. In welcher Dimension das Versorgungssystem auszulegen ist, hängt vom Spitzenvolumenstrom PWH und dem verfügbaren Druck des warmen Trinkwassers ab. Die Montage der innen liegenden Zirkulationsleitung ist entweder von der obersten Etage oder vom Keller aus möglich. Bei einer späteren Aufstockung oder Sanierung lässt sich der Inliner ersetzen.
Lassen sich Druck- und Temperaturschwankungen in Trinkwasseranlagen minimieren?
Die Rechenvorschrift der DIN 1988‑300 „Technische Regeln für Trinkwasser-Installationen – Ermittlung der Rohrdurchmesser“ besagt, dass die Rohrdurchmesser nach dem verfügbaren Rohrreibungsdruckgefälle dimensioniert werden sollen.
Um ein hydraulisch ausgeglichenes System zu erhalten, das weniger anfällig für Druck- und Temperaturschwankungen an der Zapfstelle ist, gilt es, den längenbezogenen Druckverlust (hPa/m) möglichst gleich zu halten. Das lässt sich erreichen, indem die Dimensionierung anhand des Rohrreibungsdruckgefälles vorgenommen wird und nicht über die Fließgeschwindigkeit.
Müssen Trinkwasseranlagen gewartet werden?
Die Wartung einer Trinkwasseranlage ist vorgeschrieben. Alle Bauteile und Komponenten einer Trinkwasser-Installation sind gemäß DIN EN 806‑5 regelmäßig zu inspizieren und zu warten. Dadurch wird die Betriebssicherheit erhalten und die Gebrauchstauglichkeit sichergestellt. Eine Wartung findet statt, wenn Maßnahmen zur Erhaltung des Sollzustandes durchzuführen sind. Dazu gehören eine Sichtprüfung, Reinigungsarbeiten sowie die Überprüfung von Einstellungen und das Ermitteln von Messwerten.
Was ist der Unterschied zwischen Wartung und Instandsetzung?
Wartung und Inspektion dienen dazu, Abnutzung (oder Verschleiß) zu beobachten und rechtzeitig einen dadurch bedingten Funktionsausfall zu vermeiden. Wird bei einer Wartung erkannt, dass ein Bauteil defekt ist und erneuert werden muss, stellt der Austausch von Bauteilen eine Instandsetzung dar. Diese ist nicht mehr Gegenstand einer Wartung. Dabei kann von einem verschleißbedingten Austausch von Bauteilen kein Mangel oder ein Hinweis für eine nicht ordnungsgemäß ausgeführte Wartung abgeleitet werden.
Lesen Sie dazu: Trinkwasserhygiene: Wann auch Vermieter und Mieter in der Pflicht sind
Inspektion, Wartung und Instandsetzung sind unter dem Obergriff Instandhaltung zusammengefasst. Nur kontinuierliche Instandhaltung stellt einen ordnungsgemäßen Betrieb sicher. Gleichzeitig trägt sie zur Werterhaltung der Gebäudetechnik bei.
Der Autor Dietmar Stump ist Baufachjournalist und Inhaber des Pressebüros DTS in 67551 Worms.
Voraussetzungen für einen bestimmungsgemäßen Betrieb
Die Einhaltung des bestimmungsgemäßen Betriebs ist eine Betreiberpflicht. In der Planung und Ausführung von Trinkwasser-Installationen müssen jedoch die Voraussetzungen geschaffen werden, damit eine solche Betriebsweise möglich wird. Hierzu gehören u. a.:
- Einsatz zugelassener Materialien für sämtliche trinkwasserberührten Bauteile
- Bedarfsgerechte Auslegung von Trinkwassererwärmern
- Bedarfsgerechte Dimensionierung der Trinkwasserleitungen
- Hydraulischer Abgleich von Zirkulationssystemen
- Ordnungsgemäße Dämmung der Trinkwasserleitungen
- Leitungsführungen mit geringem Stagnationspotenzial
- Thermisch entkoppelte Leitungsführung
- Ordnungsgemäße Inbetriebnahme mit
den Teilaufgaben Dichtheitsprüfung, Erstbefüllung und Spülung - Ordnungsgemäße Übergabe, Einweisung
und Dokumentation.


