Trinkwarmwasser: Wie funktioniert eine effiziente Zirkulation?
Die folgenden Hinweise, Skizzen und Montagetipps zur Trinkwarmwasser-Zirkulation werden am Beispiel für ein Einfamilienhaus dargestellt. Prinizpiell lassen sie sich aber auch auf andere Einbausituationen übertragen. Die grundlegenden Gedanken dazu sind jeweils:
1.) Das warme Wasser soll sehr zügig zur Verfügung stehen, wenn der Nutzer den Hahn aufdreht. Das bedeutet konkret: Im ersten Obergeschoss soll abends beim Zähneputzen nicht erst das gesamte, eventuell abgekühlte Wasser aus der Warmwasserleitung entnommen werden müssen, um an das erwärmte Wasser aus dem zentralen Trinkwassererwärmer im Keller des Hauses zu gelangen. Es soll sofort der Komfort einer warmen Spülung geboten werden.
2.) Das Wasser soll hygienischen Bedingungen unterworfen bleiben. Das bedeutet konkret, dass es mit mindestens 60°C den Trinkwassererwärmer im Keller verlassen und an keiner Stelle der Leitungsführung kühler als 55°C sein soll, ehe es dann wieder mittels Zirkulationspumpe in den Speicher zurückgedrückt wird.
Warmwasser: Umsetzung einer Zirkulation im einfachen Fall
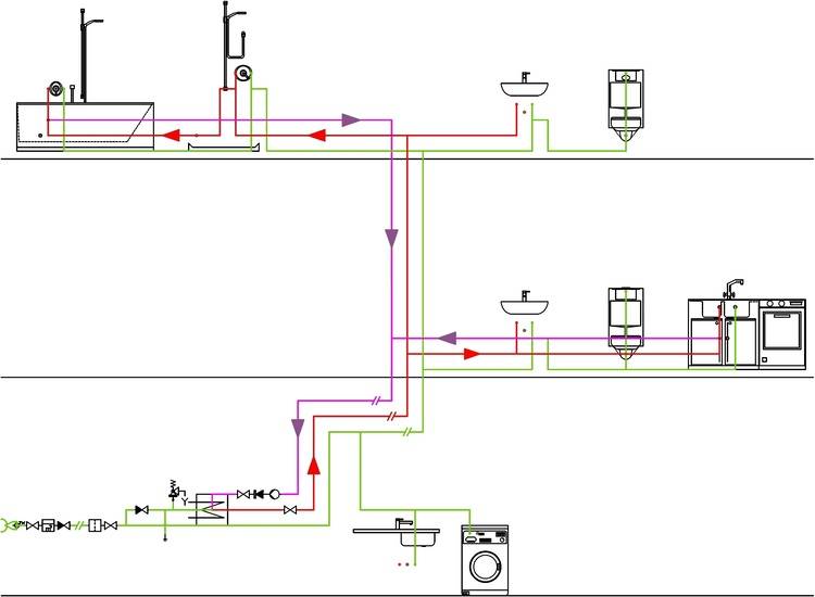
Im einfachen Ansatz wird also eine Warmwasserleitung ins Bad, meistens also ins Obergeschoss verlegt. Am letzten Verbraucher wird dann ein T-Stück gesetzt und eine meistens 15 mm dicke Leitung (DN 12) in den Keller zurückgeführt und an den Warmwasserbereiter angeschlossen (Bild 1). Eine Pumpe aus Rotguss wird in diese 15er-Leitung eingebaut und bewegt das Wasser ständig hoch zu der entferntesten Zapfstelle und von dort zurück zum Trinkwassererwärmer.
Die Küche, meistens im Erdgeschoss, liegt nicht direkt unter dem Bad im Obergeschoss, soll aber natürlich auch am Warmwasser angeschlossen werden. Dazu legt man im einfachsten Fall eine Stichleitung zur Spüle und gut ist die Installation. Im Zweifel muss der Nutzer also später das abgekühlte Wasser aus der Warmwasserleitung zur Küche erst entnehmen, bis dann endlich etwas warmes Wasser kommt.
Auch die Spülmaschine kann niemals direkt erwärmtes Wasser ziehen. Es muss in jedem Fall zumindest teilweise elektrisch aufgeheizt werden, unabhängig davon, ob im Keller bereits ein Vorrat existiert, der vielleicht schon von der Sonne erwärmt wurde.
Zirkulationsanschluss in der Küche
Wollte man also in der Küche ebenfalls sofort Warmwasser zapfen, so könnte die Zirkulation natürlich auch mit der entfernten Zapfstelle in der Küche verbunden werden. Und dies wurde tausendfach in Deutschland ausgeführt. Es wurde einfach ein T-Stück in die Zirkulation eingesetzt und mit einem weiteren Zirkulationsanschluss in der Küche verbunden (Bild 2). Auf den ersten Blick funktioniert das natürlich.
Lesen Sie dazu auch: Welche Normen gelten für Küchenanschlüsse wie Wasseranschluss & Co?
Bei genauerem Hinsehen jedoch stellt man fest, dass die Strömung der Zirkulation nicht mehr zwangsläufig durch das Bad im Obergeschoss zirkuliert. Vielmehr wird der durch die Zirkulations-Pumpe (bspw. die BlueOne von der Deutschen Vortex GmbH & Co. KG) bewegte Stromfaden den sehr viel kürzeren und damit den sehr viel strömungsgünstigeren Weg durch die Küche nehmen. Die Strömung durch das Badezimmer im Obergeschoss bildet sich eher zufällig aus und kann im Zweifel sogar äußerst lahm werden.
In der Folge wird sich das Warmwasser in diesem Abschnitt also ständig auf einem mäßigen Temperaturniveau bewegen. Möglicherweise werden in diesem erlahmten Abschnitt der Warmwasserzirkulation die 55°C unterschritten und somit gute Wachstumsbedingungen für Legionellen geschaffen. Es sollte also eine andere Verlegung gewählt werden.
Installation-Hinweise für einen anderen Strömungsverlauf
Die Installation der Rohrleitungen für Warmwasser kann in dem hier skizzierten Fall fast komplett identisch bleiben. Lediglich ein Teil der Installation wird gewissermaßen aufgebrochen und auf diese Weise zu einem anderen Strömungsverlauf gezwungen (Bild 3).
Dann läuft das warme Wasser immer zuerst hoch ins Bad und von dort wieder zur Küche. Wenn also jemand in der Küche zapft, so erhält er das Warmwasser, das schon durchs Badezimmer geleitet wurde. Im Ruhezustand, also wenn nur die Zirkulationspumpe für Bewegung sorgt, wird das Wasser durch das Bad im Obergeschoss geleitet und durch die Küchenanschlüsse im Erdgeschoss. Selbst ohne hydraulischen Abgleich gelingt so eine sichere Durchströmung der Warmwasserleitungen.
Lesen Sie dazu auch: Warmwasserzirkulation im Bestand: Die häufigsten Probleme systematisch beheben
Vorteil: Dieser Effekt lässt sich erzielen, ohne dabei mehr Rohr aufzuwenden. Zumindest in der skizzierten Anordnung reicht eine 15er-Leitung (gemeint ist DN 12, also 15 x 1) als Zirkulationsleitung und auch als Leitung zur Küche.
Strangregulierventile als teurere Alternative
Will man zwanghaft die Strömungen der Warmwasserzirkulation aufteilen, sollte man für einen entsprechenden hydraulischen Abgleich in der Zirkulation sorgen. Armaturenhersteller bieten dazu Strangregulierventile, die man in jeweils geteilte Strömungsverläufe einbaut. Diese Ventile können dort, ähnlich wie ein Thermostatventil, anhand der Temperaturen im jeweiligen Strang die Volumenströme anpassen. Bei starker Abkühlung eines Strangs wird das Strangregulierventil in diesem weiter geöffnet und lässt eine stärkere Strömung zu. Dabei nimmt die Temperaturspreizung ab.
Umgekehrt verengen solche automatischen Strangregulierventile den durchflossenen Querschnitt, wenn es zu warm wird. Da solche Ventile auf Funktion geprüft werden müssen, ist die nachträgliche Zugänglichkeit zwingend erforderlich.
Im Falle der in Bild 3 angebotenen Alternative sind weder die teuren Ventile notwendig noch ist eine Revisionsöffnung im Bad erforderlich. Daher bietet es sich an, mit entsprechender Verlegetechnik als mit Regeltechnik vorzugehen und so auch Baukosten und anschließende Wartung auf ein geringeres Maß einzuschränken.
Lesen Sie mehr zu Thema: 6 Fehler bei der Warmwasser Zirkulationsleitung
Fazit
Das Teilen von Zirkulationsvolumenströmen der Warmwasserzirkulation ist in kleinen Anlagenteilen eher kontraproduktiv und sollte nur ausgeführt werden, wenn es wirklich sinnvoll und notwendig ist. In Mehrfamilienhäusern bei gezwungenermaßen mehreren Steigesträngen wird eine Teilung der Zirkulationsleitung am Fuß der Steigestränge unumgänglich sein.
In einem Einfamilienhaus kann man jedoch sehr häufig durch eine clevere Anordnung der Warm- und Zirkulationsleitungen auf eine Teilung oder zusätzliche Leitungen verzichten und trotzdem eine komfortable und hygienische Warmwasserströmung erreichen. Ein Mehraufwand an Technik und Hilfsmitteln muss nicht unbedingt förderlich sein für den sicheren Betrieb einer Trinkwasserinstallation.
Dieser Beitrag von Elmar Held erschien zuerst in SBZ Monteur 7/2016. Dipl.-Ing. (FH) Elmar Held ist verantwortlicher Redakteur des SBZ Monteur.


