Wohnungsstationen: Das sind die häufigsten Fragen
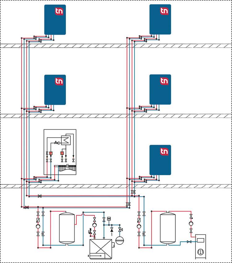
Wohnungsstationen bieten Vorteile beim Montageaufwand, aber auch bei den Betriebskosten, der Effizienz und der Trinkwasserhygiene. Im Vergleich zur zentralen Trinkwarmwasserbereitung kommt die dezentrale Variante beim Einsatz von 2-Leiter-Systemen mit weniger Rohrleitungen aus. Es entfallen die Warmwasserleitung und die Zirkulationsleitung. Dadurch ergeben sich schnellere Montagezeiten bei der Rohrinstallation und weniger Materialaufwand. Gerade in Zeiten des Fachkräftemangels ist die schnellere Montage ein wichtiger Vorteil.
Im Betrieb bietet der Einsatz von Wohnungsstationen den Vorteil, dass keine Legionellenuntersuchungen erforderlich sind, wenn die Anlagen mit weniger als 3 Liter Wasserinhalt in den der Wohnungsstation nachgeschalteten Warmwasserleitungen geplant und ausgeführt sind.
Generell ermöglicht die dezentrale Trinkwarmwasserbereitung niedrigere Vorlauftemperaturen und dadurch eine höhere Effizienz der Heizung, die sich besonders in Kombination mit einer Wärmepumpe positiv auf den Energiebedarf auswirkt.
Probleme beim Kaltwasser
Viele Probleme mit der Trinkwasserhygiene entstehen bereits in der Kaltwasserzuleitung zu den Wohnungen. Meist sind die Versorgungsschächte in den Wohngebäuden sehr klein dimensioniert. Aufgrund dieser Platzproblematik werden Kaltwasserleitungen direkt neben Warmwasserleitungen, Zirkulationsleitungen und Primärkreis-Vorlauf (VL) und Primärkreis-Rücklauf (RL) verlegt. Eine Abkofferung der Kaltwasserleitung ist wegen des beschränkten Raumes meist nicht möglich. Oft wird die Schachttemperatur dann so hoch, dass sich auch bei 100% gedämmten Rohrleitungen die Kaltwasserleitung auf über 25 °C erwärmt.
Die Anforderung nach DIN 1988-200 3.6 ist dann nicht mehr einzuhalten. Hier bieten 2-Leiter-Systeme die Lösung. Durch den Wegfall von Warmwasserleitung und Zirkulationsleitung kann ein größerer Leitungsabstand zwischen Primärkreisvor- und Rücklauf zur Kaltwasserleitung realisiert werden. Auch eine Separierung der Kaltwasserleitung ist einfacher umsetzbar.
Wann sind 2-Leiter-Systeme zu bevorzugen, wann 4-Leiter-Systeme?
Systeme mit 2-Leiter-Wohnungsstationenen eigenen sich besonders für Wärmeerzeuger, die mehr als 55 °C Vorlauftemperatur bereitstellen können. Dann versorgt ein gemeinsamer Primärkreisvorlauf und -Rücklauf die Trinkwarmwasserbereitung und die Heizflächen.
Bei Wärmepumpen dagegen bietet ein 4-Leiter-System Vorteile, bei denen getrennte Primärkreise für die Trinkwarmwasserbereitung und die Fußbodenheizung verlegt werden. Dadurch, dass die Fußbodenheizung durch den Niedertemperaturkreis versorgt wird, lassen sich für die Wärmepumpe gute Laufzeiten und eine hohe Wirtschaftlichkeit erzielen. Im Heizungsbetrieb arbeitet die Wärmepumpe optimal. Für die höheren Temperaturen der Trinkwarmwasserbereitung muss man etwas ungünstigere Betriebszustände der Wärmepumpe in Kauf nehmen, die aber dank der niedrigen Temperaturen der dezentralen Trinkwarmwasserbereitung immer noch effizient sind. Denn 50 °C Vorlauftemperatur reichen völlig aus, um 45 °C als Warmwasserzapftemperatur zu generieren
Wer das Einsparpotenzial von 2-Leiter-Systemen in Kombination mit einer Wärmepumpe nutzen will, plant mit einer Hybrid-Wohnungsstation. Hierbei erwärmt die Wärmepumpe das Heizwasser nur auf die für die Fußbodenheizung benötigte Temperatur. Den notwendigen Temperaturhub für das Warmwasser übernimmt ein elektrischer Durchlauferhitzer.
Welche Anforderungen gibt es bei der Trinkwassertemperatur?
Wenn die dezentrale Trinkwarmwasserbereitung keine Zirkulation verwendet und somit in dem der Wohnungsstation nachgeschalteten Fließweg die 3-Liter-Regel eingehalten wird, stellt die DIN 1988-200 keine weiteren Anforderungen an die Trinkwarmwassertemperaturen. Somit ist die Warmwassertemperatur wählbar und kann in Absprache mit dem Nutzer, Eigentümer oder Investor frei entschieden werden.
Neben der Trinkwasserhygiene spielt aber auch der Komfort eine Rolle. Sollte zusätzlich die VDI 6003 zur Erfüllung von Komfortansprüchen vereinbart sein, muss an der Küchenspüle eine Zapftemperatur von mindestens 50 °C gewährleistet werden. In der Regel werden dezentrale Wohnungsstationen mit zwischen 45 °C und 50 °C Warmwassertemperatur betrieben.
Welche Möglichkeiten gibt es, bei mehr als 3 Liter Wasserinhalt?
Taconova bietet seinen Kunden die Möglichkeit, einen Hochtemperatur-Abgang in der Wohnungsstation zu nutzen. Mit diesem Hochtemperatur-Abgang kann man den Primärvorlauf an eine weit entfernte Zapfstelle wie etwa eine Küche oder ein Gästebad führen und dort eine kleine Frischwasserstation als Unterstation installieren. Diese Unterstation ist in etwa so groß wie ein Durchlauferhitzer. Dadurch ergibt sich der Vorteil, dass der weit entfernte Verbraucher mit dieser Station versorgt wird. Durch den Einsatz der Unterstation bleibt der Wasserinhalt der Trinkwarmwasserleitung unter 3 Litern und die Nutzeinheit bleibt weiter eine Kleinanlage ohne Anforderungen an die Trinkwarmwassertemperaturen.
Wohnungsstationen in der Sanierung: Welche Heizflächen sind möglich?
Unabhängig davon, welches System zur Erwärmung der Heizfläche dient, können Wohnungsstationen mit Heizkörpern oder Fußbodenheizung kombiniert werden. Wichtig ist dabei der hydraulische Abgleich der Stationen untereinander.
Welche Gleichzeitigkeit wird für die Warmwasserbereitung angesetzt?
Für die Ermittlung der Gleichzeitigkeit für die Warmwasserbereitung stehen unterschiedliche Möglichkeiten zur Verfügung. So kann auf die Normen VDI 2072 oder DIN 4708 oder die experimentell ermittelten Gleichzeitigkeiten der TU Dresden zurückgegriffen werden. Taconova setzt seit längerem auf die VDI 2072. In der VDI 2072 sind die Gleichzeitigkeiten in Abhängigkeit der Wohnungsanzahl mathematisch definiert. Demnach ist bei zwei Wohnungen von einer Gleichzeitigkeit von 0,62 auszugehen. Für fünf Wohnungen sinkt sie auf 0,35. Ab 10 Wohneinheiten kann man von einer Gleichzeitigkeit von 0,24 ausgehen.
Was muss bei der Hydraulik im Verteilnetz zu den Stationen beachtet werden?
Auch Wohnungsstationen müssen untereinander hydraulisch abgeglichen sein. Für den hydraulischen Abgleich begrenzt man den in der Auslegung bestimmten maximalen Summenvolumenstrom für Heizung und Warmwasser mit einem dynamischen Abgleichventil an der jeweiligen Wohnungsübergabestation. Der hydraulische Abgleich verhindert, dass es bei einer der Wohnungsstationen zu einer Überversorgung kommt, die dann zu Unterversorgungen bei weiter entfernten Stationen führen würde.
Da alle mechanischen Taconova Wohnungsstationen bereits einen Differenzdruckregler integriert haben, dürfen keine zusätzlichen Abgleicharmaturen im Verteilnetz verbaut werden. Neben dem Abgleich der Wohnungsstationen erfolgt zudem der Abgleich der einzelnen Heizkreise in der Wohnung direkt am Heizkreisverteiler über integrierte TopMeter Abgleichventile.
Welche Wassermenge kann eine Wohnungsstation erzeugen?
Die Warmwasser-Zapfmenge einer Wohnungsstation hängt von mehreren Faktoren ab. Neben der Heizkreis-Vorlauftemperatur und der Trinkwarmwassertemperatur spielt auch die Güte des Wärmetauschers eine Rolle. Taconova verfügt über ein breites Produktportfolio. Es umfasst Wohnungsstationen mit einer Zapfmenge von 15 bis 25 l/min. Diese Zapfmengen sind für 55 °C Vorlauftemperatur im Primärkreis bei 45°C Trinkwarmwassertemperatur definiert.
Bei höheren Vorlauftemperaturen sind entsprechend höhere Zapfraten erreichbar. Niedertemperatursysteme können durch den Einsatz von Hybrid-Wohnungsstationen ebenfalls hohe Zapfmengen bereitstellen, die auch bei höheren Komfortansprüchen der Bewohner ausreichen. So kann beispielsweise die TacoTherm Dual Piko Smart Hybrid 21 l/min erzeugen.
Der Aufbau einer Wärmeübergabestation
1 Primäranschluss Wärmeversorgung Vor- und Rücklauf
2 Anschlüsse Heizungsmodul
3 Wärmetauscher
4 Anschluss Warmwasserverteilung
5 Anschluss Kaltwasserverteilung
6 Anschluss Hauptzuleitung Kaltwasser
7 Proportionalmengenregler
8 Anschluss Zirkulation (Option)
9 Radiatorenanschluss Vorlauf
10 Radiatorenanschluss Rücklauf
Warum kann nicht ausreichend warmes Wasser gezapft werden?
Wenn die Trinkwarmwasser-Zapfmenge im Verteilsystem zu gering ausfällt, kann es dafür eine Reihe von Gründen geben. Eventuell liegt eine zu geringe Vorlauftemperatur im Primärkreis vor oder der Pumpendruck reicht nicht aus. Auch ein zu hoher Pumpendruck kann die Trinkwarmwasser-Zapfmenge reduzieren, denn das kann dazu führen, dass die Abgleicharmatur zu weit schließt.
Bestehen die Probleme in einzelnen Wohnungen, kann der Grund für die geringe Zapfmenge in Schmutzablagerungen bestehen, die sich in den Schmutzfängern der Wohnungsstation angesammelt haben. Auch Luft im Plattenwärmetauscher kann die Ursache des Problems sein.
Was muss bei der Inbetriebnahme beachtet werden?
Bei der Inbetriebnahme müssen sämtliche Einstellparameter nach den Auslegungspunkten eingestellt werden. Zudem muss eine Überprüfung der Schmutzfänger erfolgen. Diese muss man von Installationsrückständen wie Hanfresten, Schneidespänen und anderen Fremdkörpern befreien. Auch muss eine Heizwasseruntersuchung nach VDI 2035 erfolgen.
Ein 2-Leitersystem kann ausreichen, wenn ohnehin hohe Vorlauftemperaturen zur Verfügung stehen.
Ein 4-Leitersystem kann vorteilhaft sein für den Heizbetrieb mittels Wärmepumpe.
Wohnungsstationen können auch in der Sanierung eingesetzt werden bei gemischtem Betrieb mit Radiatoren und Fußbodenheizung.
Die Gleichzeitigkeit der Nutzung von Stationen ist in Bezug auf die Trinkwassererwärmung von großer Bedeutung.
Wohnungsstationen können hohe Zapfmengen realisieren. Dabei sind die Zapfmengen in Abhängigkeit von Vorlauftemperatur im Primärkreis und der jeweiligen Trinkwarmwassertemperatur zu sehen.
Relevante Normen für Installationen mit Wohnungsübergabestationen
- DIN 1988-200:2012-05: Technische Regeln für Trinkwasser-Installationen - Teil 200: Installation Typ A (geschlossenes System) - Planung, Bauteile, Apparate, Werkstoffe; Technische Regel des DVGW
- VDI 6003: Trinkwassererwärmungsanlagen - Komfortkriterien und Anforderungsstufen für Planung, Bewertung und Einsatz
- VDI 2035: Vermeidung von Schäden in Warmwasser-Heizungsanlagen
- VDI 2072: Wärmeübergabestation mit Wasser-Wasser-Wärmeübertrager für Durchfluss-Trinkwassererwärmung/Raumwärmeversorgung
Patrick Freudenreich ist Planerberater und Head of Project Business DE bei Taconova.

Dieser Artikel ist zuerst in SBZ Monteur erschienen. Um ein kostenloses Probeheft zu bestellen, klicken Sie hier.
Das Fachportal für die Gebäudetechnik

