Niedrige Investitions- und Betriebskosten, hohe Trinkwassergüte - so geht's
Energie- und Wassersparen gehören derzeit zu den gesellschaftlich relevantesten Themen. Immer mehr Auftraggeber sowie die drei größten Systeme für ökologische Gebäudezertifizierung DGNB, BREEAM und LEED fordern die Verringerung des Wassergebrauchs in Neubau und Bestand. Keines der drei Zertifizierungssysteme berücksichtigt jedoch die Fragestellungen rund um den Erhalt der Wassergüte, wie Dr. Peter Arens, Hygieneexperte bei Schell, betont. Wie kann man also Trinkwasser-Installationen besonders nachhaltig planen und betreiben, ohne die Trinkwasserhygiene zu gefährden? Er sagt: Den größten Einfluss auf Investitions- und Betriebskosten hat die Entscheidung eines Investors für wassersparende Armaturen und WCs.
Literleistung reduzieren: Vorsicht bei Bestandsanlagen
Arens‘ Erkenntnisse fußen u. a. auf einer wissenschaftlichen Arbeit von Luca Güsgen, dessen Praxispartner er war. Bei der Bearbeitung des Themas „Trinkwasser-Installation: Die Auswirkungen eines reduzierten Trinkwasserverbrauchs im wachsenden Anspruch der Trinkwasserhygiene“ beschäftigte sich Güsgen mit der Fragestellung, welche Möglichkeiten es gibt, den Wassergebrauch in Haushalten zu minimieren, ohne dass es zu relevanten Komforteinbußen oder Beeinträchtigungen der Trinkwasserhygiene kommt. Dabei konzentriert sich die Arbeit auf Maßnahmen, die in Neubauten bereits in der Planung umgesetzt werden sollten. Denn bei Bestandsbauten sind die Möglichkeiten deutlich beschränkter: „Ich kann nur davor warnen, in Bestandsgebäuden die Literleistung von Entnahmearmaturen unter den jeweiligen Berechnungsdurchfluss der Entnahmestellen zu reduzieren, auch wenn dies in allen drei Systemen vorgesehen ist. Dies würde den Wasseraustausch in der Installation und damit die Trinkwasserhygiene gefährden“, so Dr. Peter Arens. „Wasserspareinrichtungen können unter diesen Bedingungen also nur begrenzt zum Einsatz kommen, beispielsweise in öffentlichen Bereichen von Flughäfen oder Rathäusern mit einer sehr hohen Nutzungsfrequenz, der die Literleistung unterhalb der Normwerte kompensiert.“
Reduzierten Wassergebrauch bei Neubauten einplanen
In jeder Planungssoftware sind die Berechnungsdurchflüsse von Entnahmestellen aus der DIN 1988-300, Tabelle 2, hinterlegt. Wenn jedoch der Wassergebrauch eines Gebäudes ökologisch optimiert werden soll, muss der Investor dazu den klaren Auftrag erteilen. Nur dann bekommt er eine Trinkwasser-Installation mit reduzierten Berechnungsdurchflüssen und schöpft das volle Potenzial aus.
Zunächst einmal sinken unmittelbar die Investitionskosten. Denn geringere „Literleistungen“ der Entnahmestellen bedingen bei angepasster Berechnung deutlich verringerte und damit kostengünstigere Dimensionen bei Rohren, Verbindern, Dämmungen und Rohrschellen, wie Luca Güsgen in seiner Arbeit belegt. Weiterhin sinken die Betriebskosten des Gebäudes für Trinkwasser warm und kalt sowie das zugehörige Abwasser über die gesamte Nutzungsdauer der Trinkwasser-Installation, also in aller Regel für die nächsten 50 Jahre
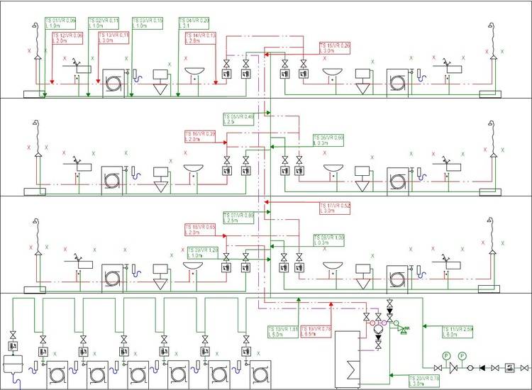
Parameter für Beispielrechnung
Anhand eines Wohngebäudes mit 6 Nutzungseinheiten hat Güsgen Vergleichsrechnungen durchgeführt, die aufzeigen, wie stark Einsparungen durch den Einsatz wassersparender Auslaufarmaturen (Tab. 1) im Vergleich zu pauschalisierten Werten (Abb. 1) tatsächlich sein können. Als Rohrmaterial inkl. der Bruttopreise für den Preisvergleich wurde Viega Profipress gewählt, ausgeführt als T-Stück-Installation gemäß DIN EN 806 und Reihenleitungen. Bei seinen Berechnungen wurden folgende Kosten berücksichtigt: Rohre (je nach Länge) und entsprechende Dämmmaterialien, Anzahl benötigter Rohrschellen und der vier gängigsten Verbinder – also so, wie es ein Handwerksunternehmen heute in aller Regel kalkuliert.
In der Planung wurde gemäß DVGW W 551 auf eine Zirkulation des Trinkwassers warm bis unmittelbar zu den Entnahmestellen aus hygienischen und energetischen Gründen verzichtet. Denn diese letzten Meter einer Zirkulation tragen vermeidbare Wärme in Vorwände und Nasszellen und damit indirekt auch ins Trinkwasser kalt ein.
Reduzierter Wassergebrauch = reduzierte Investitionskosten
In den Tabellen 2 und 3 sind die Ergebnisse der vergleichenden Berechnungen dargestellt. Erwartungsgemäß verschiebt sich das Spektrum der Rohrabmessungen deutlich hin zu geringeren Abmessungen. So sinkt auf Basis der verwendeten Kupferrohre in diesem Gebäude der Einsatz von Kupfer um rund 40 Gewichtsprozent – ökologisch ein beachtlicher Wert! Allerdings verringern sich die Investitionskosten in Euro nicht im gleichen Maße, sondern lediglich um 17% für die Rohre, Verbinder, Dämmungen und Befestigungsmaterialien.
Der Hintergrund: Die Abmessung DN 10 ist kaum günstiger als DN 12, macht aber in diesem 6 WE-Objekt nach der Neudimensionierung die Hauptlängen der Rohre aus. Welches monetäre Potential bei größeren Objekten möglich ist, zeigt eine fokussierte Betrachtung der Abmessungen DN 25 / DN 20. Hier reduzierten sich die Investitionskosten in Euro um 78% bei gleichzeitiger Erhöhung der nutzbaren Flächen.
Reduzierter Wassergebrauch = reduzierte Betriebskosten
Weitere Einsparpotenziale ergeben sich im Betrieb des so dimensionierten Gebäudes in den nächsten 50 Jahren seiner Nutzungszeit. Zum einen sinken durch den geringeren Wassergebrauch unmittelbar die jährlichen Wasser- und Abwasserkosten. Zum anderen sinken die Energiekosten, denn es muss weniger Trinkwasser erwärmt und in einer Zirkulation auf Temperatur gehalten werden.
Diese Energiekosten wurden im Rahmen der Arbeit nicht ermittelt. Sie lassen sich jedoch indirekt aus dem verringerten Wasserinhalt ableiten: Letzterer reduziert sich für das genannte Beispielgebäude um rund 40%. Diese Reduktion des Wasservolumens um rund 40% verringert auch die Wassermenge von erforderlichen Stagnationsspülungen: Gemäß VDI 6023 Blatt 1 muss stagnierendes Wasser aus hygienischen Gründen alle 72 Stunden ausgespült werden. Dies kann entweder manuell oder automatisiert, wie zum Beispiel mittels Wassermanagement-System SWS von Schell, erfolgen.
Fazit
Steigende Investitions- und Betriebskosten auch für Trinkwasser warm und kalt sowie Abwasserkosten sind aktuell große Herausforderungen. Gleichzeitig fördern sie bei immer mehr Investoren, Fachplanern und Fachhandwerkern ein Umdenken im Hinblick auf Trinkwasser-Installationen. Dies zeigt sich beispielsweise in der Rückkehr zu T-Stück-Installationen aus wirtschaftlichen, ökologischen und hygienischen Gründen.
Zusätzliche Einsparmöglichkeiten bieten wassersparende Entnahmestellen. Sie verringern den Materialeinsatz bei Rohren und Fittingen um bis zu 40 Gewichtsprozent, wobei auch der Wasserinhalt und -gebrauch um bis zu 40% sinkt. Letzteres minimiert auch den Energieeinsatz der Trinkwassererwärmung. Durch diese neue Art der Planung von Trinkwasser-Installationen gibt es nur Gewinner, da sich unmittelbar Verbesserungen bei Ökologie und Ökonomie von Trinkwasser-Installationen sowie den Betriebskosten von Gebäuden ergeben.



