Zu hohe Kosten? Warum Wärmepumpen auch im Bestand funktionieren
Wärmepumpen gelten unter Fachleuten als das Heizsystem der Zukunft. Spätestens seit klar ist, dass in Deutschland fossile Energien auch aus Gründen der Versorgungsicherheit schnellstmöglich verabschiedet werden müssen, geht an der zum Teil unterschätzten Technologie kein Weg vorbei. Im Neubau sind die Anlagen ohnehin zum Standard avanciert.
2021 wurde in Deutschland erstmals mehr als die Hälfte aller Neubauten mit Wärmepumpen ausgerüstet. Ein ähnlicher Trend in Richtung Wärmepumpe zeigt sich jedoch zunehmend auch im Bestand, zumal der Sanierungsdruck durch die politischen Entwicklungen erheblich verstärkt worden ist. Wo der Austausch bestehender Öl- und Gasheizungen auf dem Plan steht, ist die Wärmepumpe heute oft erste Wahl – auch in Bestandsgebäuden.
 
 Wärmepumpen im Bestand: Kritik berechtigt?
Trotz der klaren Tendenz zur Wärmepumpe werden in der öffentlichen Debatte in Deutschland jedoch immer wieder systematisch Zweifel an einer Eignung von Wärmepumpen in Bestandsgebäuden als Heizung gesät.
Die Argumente sind dabei regelmäßig dieselben: Mit einer Wärmepumpe ließen sich insbesondere Altbauten nicht effektiv beheizen. Während Wärmepumpen in gut isolierten Neubauten mit ihren typischen Fußbodenheizungen hervorragend funktionierten, sei im Bestandsbau nichts Vergleichbares zu erwarten. Mit vertretbaren Ergebnissen dürfe allenfalls dann gerechnet werden, wenn zuvor massiv in die Sanierung der Gebäudehülle und des Wärmeübergabesystems investiert würde.
Richtig ist an dieser Argumentation, dass eine Wärmepumpe in Bestandsgebäuden kaum dieselbe Effizienz erreichen wird wie im Neubau. Jahresarbeitszahlen (JAZ) zwischen 5 und 6, wie sie im Effizienzhaus 55 oder 40 erzielt werden können, sind in Bestandsgebäuden unrealistisch.
Darüber hinaus ist an den Einwänden allerdings nicht viel Wahres. Denn auch mit einer JAZ von 3 bis 4, wie sie gute Wärmepumpen im Bestand selbst bei Gebäuden ohne Flächenheizung – also mit Heizkörpern als Verteilsystem – erreichen können, ist die Wärmepumpe um ein Vielfaches umweltfreundlicher als jeder Öl- oder Gaskessel und durchaus wirtschaftlich im Altbau zu betreiben.
Folgt man seriösen Einschätzungen, ist davon auszugehen, dass etwa 80 Prozent des Bestands ohne weitere Sanierungsmaßnahmen auch mit einer Wärmepumpe statt mit einem fossilen Wärmeerzeuger effizient beheizt werden können.
 
 Gute Jahresarbeitszahlen auch im Bestandsgebäude
Tatsächlich gehen viele wärmepumpenkritische Argumentationen oft stillschweigend von einem Gebäudebestand aus, der in der Praxis kaum noch anzutreffen ist. Dass über Jahrzehnte hinweg weder in die Gebäudehülle noch in eine Modernisierung und angepasste Auslegung des Wärmeübergabesystems in einem Bestandsbau investiert wurde, mag in Einzelfällen vorkommen – die Regel ist es längst nicht mehr.
Das Fraunhofer-Institut für Solare Energiesysteme ISE hat 2018/19 in einer umfangreichen Studie über Wärmepumpen in 15 bis 150 Jahre alten Bestandsgebäuden festgestellt, dass üblicherweise auch hier durchweg sehr gute Effizienzwerte erzielt werden.
Luft-Wasser-Wärmepumpen beispielsweise erreichten laut ISE-Studie im Durchschnitt Jahresarbeitszahlen (JAZ) von 3,1. Erdwärmepumpen kamen im Schnitt sogar auf eine JAZ von 4,1. Auch der gerne erhobene Einwand, dass die weit verbreiteten Luft-Wasser-Wärmepumpen – die als Wärmequelle die Umgebungsluft nutzen – an kalten Wintertagen zu oft auf den integrierten Heizstab zurückgreifen müssten, um außentemperaturbedingte Effizienzdefizite auszugleichen, ließ sich in der Praxis nicht erhärten.
Wie die Studie zeigte, entfielen bei Luft-Wasser-Wärmepumpen im Durchschnitt nur 1 bis 3 Prozent des Stromverbrauchs auf den Einsatz des Heizstabs – ein Wert, der in der Gesamtbetrachtung nicht ins Gewicht fällt.
Anlagen im Altbau: Im Regelfall ist Effizienz gegeben
Von mangelnder Eignung für bestehende Gebäude kann bei Wärmepumpen somit nicht die Rede sein, im Gegenteil: Dass eine Wärmepumpe auch im Bestand ihren Zweck erfüllt, sollte als der Regelfall angesehen werden. Selbstverständlich bleiben auch dann noch Bestandsgebäude übrig, deren Sanierungsstau so groß ist, dass von einer Wärmepumpeninstallation zunächst einmal abgeraten oder zumindest auf eine Hybridlösung aus Wärmepumpe und fossiler Heizung im Altbau gesetzt werden muss.
Ausschlaggebend ist hier die Frage nach der erforderlichen Vorlauftemperatur der Heizung in einer Bestandsimmobilie: Beträgt diese maximal 60 Grad, kann bedenkenlos auch eine Wärmepumpe zum Einsatz kommen. Falls jedoch Temperaturen von 65 oder 70 Grad benötigt werden, sollte das Verteilsystem geprüft werden, ob mit punktuellen Maßnahmen wie z.B. einer Vergrößerung der Heizfläche durch einen gezielten Austausch von Heizkörpern die erforderliche maximale Vorlauftemperatur gesenkt werden kann.
Moderne Wärmepumpen mit neuen Kältemitteln können indessen selbst solche Bedarfe oft ohne Zusatzmaßnahmen decken. Ist allerdings für die Heizung eine dauerhafte Vorlauftemperatur von über 70 Grad erforderlich, ist die Bestandsimmobilie wohl tatsächlich in hohem Maße energetisch sanierungsbedürftig. Hierbei sollte jedoch nicht unterschlagen werden, dass ein hoher Sanierungsbedarf auch jede Öl- und Gasheizung im Altbau komplett unwirtschaftlich werden lässt, zumal angesichts der dramatischen Preissteigerung bei fossilen Brennstoffen.
 
 Wärmepumpen: Die unterschiedlichen Lösungen
Am Anfang steht stets die Wahl des Wärmepumpentyps für den Bestandsbau – die Entscheidung darüber also, ob die vom Wärmepumpensystem genutzte thermische Energie aus der Umgebungsluft (Luft-Wasser-Wärmepumpe), dem Erdreich (Sole-Wasser-Wärmepumpe) oder dem Grundwasser (Wasser-Wasser-Wärmepumpe) gewonnen werden soll.
Hier muss zuallererst berücksichtigt werden, welche Wärmemengen überhaupt benötigt werden und was Gebäudestandort und bauliche Gegebenheiten zulassen; sodann sind Zeitplan, Budget und möglicherweise auch individuelle Wünsche des Anwenders mit einzubeziehen.
Luft-Wasser-Wärmepumpe als Favourit
Angesichts des Zwangs zum schnellstmöglichen Ausstieg aus fossilen Brennstoffen und der eingeschränkten Budgetoptionen vieler Anwender wird die Wahl wohl mehrheitlich auf eine Luft-Wasser-Wärmepumpe fallen. Sie erfordert die geringsten baulichen Maßnahmen und ist so am schnellsten und kostengünstigsten zu installieren.
Die Luftwärmepumpe kann als kompakter Monoblock im Garten oder Vorgarten platziert werden. Speziell bei hoher Bebauungsdichte gilt es allerdings, den Aufstellort sorgsam zu wählen, um Lärmbelästigungen zu vermeiden. Schließlich kann die Wärmepumpe auch im Gebäude aufgestellt werden, Zu- und Fortluft werden dann über ein Kanalsystem realisiert. Die Geräuschemissionen im Außenbereich lassen sich so noch einmal drastisch reduzieren.
Erdwärmepumpe als Option
Sofern es der Gebäudestandort sowie Budget und Zeitplan des Anwenders zulassen, sollte im Bestand auch die Errichtung einer Erdwärmepumpe erwogen werden. Sie ist die energieeffizientere Lösung und erreicht deshalb im Durchschnitt höhere Jahresarbeitszahlen.
Erdreich-Wärmepumpen werden in der Regel als Innenaufstellung ausgeführt. Aufstellungsbedingte Geräuschprobleme treten hier nicht auf. Ergänzender Kostenfaktor im Vergleich zur Luft-Wasser-Wärmepumpe sind hier die Sondenbohrungen, die im Regelfall bis zu 100 Meter tief ins Erdreich getrieben werden bzw. der Erdaushub bei Verlegung von Kollektoren. Auf lange Sicht und vor allem bei hohen Heizleistungsbedarfen lohnt sich der Aufwand für Tiefbohrungen, auch für Bestandsimmobilien.
Grundwasser als Exot
Etwas anders stellt sich die Situation bei Grundwasserwärmepumpen dar. Zwar weist dieser Wärmepumpentyp im Schnitt die höchsten Jahresarbeitszahlen auf, da im Grundwasser die Menge an thermischer Umweltenergie an einfachsten verfügbar gemacht wird, bei ganzjährig stabilem Temperaturniveau.
In der Praxis werden diese Effizienzvorteile jedoch fast immer vom hohen Strombedarf der Pumpen zunichte gemacht, die das Wasser über den Förderbrunnen aus dem Boden und zurück in den Schluckbrunnen pumpen müssen – der Stromaufwand ist hier weit höher als beim Solekreislauf von Erdwärmepumpen.
Nicht zuletzt aus diesem Grund werden Grundwasserwärmepumpen nur vereinzelt zur Realisierung gelangen, zumal die Installation der Anlagen an eine Vielzahl von systemfremden Voraussetzungen gebunden ist. So ist der Zugriff auf das Grundwasser generell genehmigungspflichtig und nur abseits ausgewiesener Wasserschutzgebiete möglich.
 
 Hybridheizung: Wärmepumpe mit bestehender Gas- oder Ölheizung betreiben
Für die erfolgreiche Realisierung einer Wärmepumpe in Bestandsgebäuden spielt auch die Wahl des richtigen Systems eine Rolle. Aufgrund des hohen Sanierungsdrucks bei gleichzeitig dramatischem Fachkräftemangel sollte nach Möglichkeit zu vorkonfigurierten Systemlösungen gegriffen werden, die sich schnell und unkompliziert verbauen lassen.
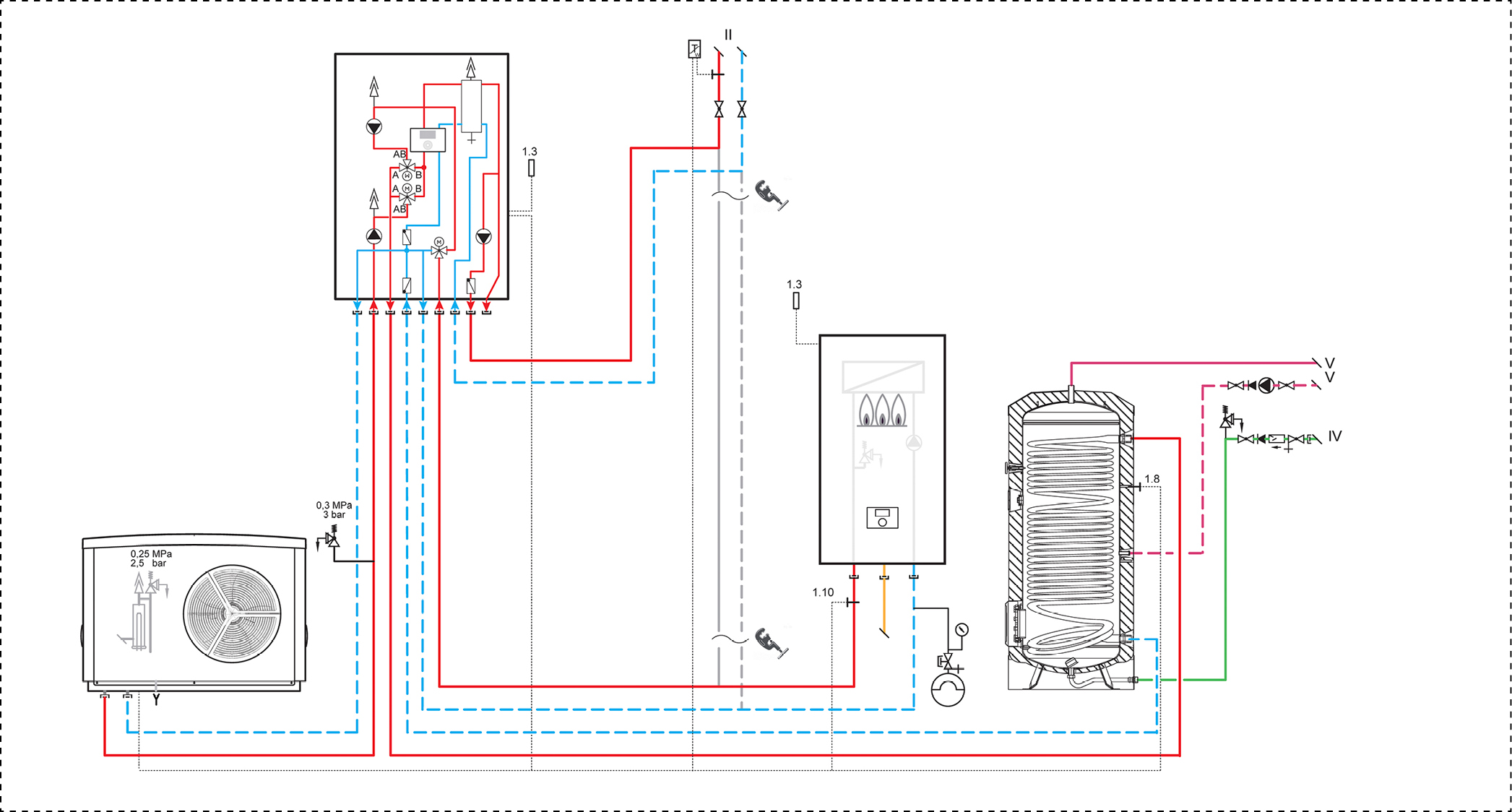
Stiebel Eltron zum Beispiel hat für die Luft- bzw. Erdwärmepumpeninstallation im Bestand einige wenige Sets entwickelt, mit denen 70 bis 80 Prozent aller Anwendungsfälle bedient werden können. Sie kombinieren die Wärmepumpe mit einem kompakten Integralspeicher (Brauchwasser- plus Pufferspeicher) und sind platzsparend und montagefreundlich ausgeführt. Wärmepumpenregelung, Umwälzpumpen sowie der Speicher sind jeweils in das Innengerät integriert, sodass nur wenig Aufstellfläche benötigt wird und der Einbau der Anlagen rasch umgesetzt werden kann.
Für Bestandsgebäude mit massivem Sanierungsstau, in denen als punktuelle Unterstützung der Wärmepumpe übergangsweise eine bestehende Öl- oder Gasheizung weiterbetrieben werden soll, ist darüber hinaus ein Hybrid-Set verfügbar. Es besteht aus einer Luft-Wasser-Wärmepumpe und einem Hydraulik-Modul, in das alle notwendigen Komponenten für die technische Kombination der Heizsysteme bereits integriert sind.
 
 Alle beschriebenen Systemlösungen lassen sich bei Bedarf individuell anpassen, darüber hinaus unterstützt Stiebel Eltron das Fachhandwerk bei der Entwicklung passgenauer Lösungen für Anwendungsfälle im Altbau, die sich nicht durch die standardisierten Sets abdecken lassen. Hilfe bei der Systemwahl, der Dimensionierung und Konfiguration, der Erstellung von Hydraulik- und Elektroplänen sowie der Ermittlung und Erschließung von Förderungsoptionen bietet zudem eine online verfügbare Toolbox.
 
 Der Autor Dipl.-Ing. Henning Schulz ist Sprecher des Unternehmens Stiebel Eltron.

 
  
  
  
  
  
  
  
  
  
  
 
 
  
  
  
  
  
 